Pre posuvné dvere, čierne, výška dverí ≤2400 mm, veľkosť A: ≤1900 mm
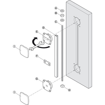
Na zvislé a/alebo vodorovné použitie Hrúbka dverí od 16 mm a viac- Rozsah použitia: Pre posuvné dvere, zabraňuje deformáciám dverí v oboch smeroch alebo vyrovnáva dvere, ktoré sú už deformované
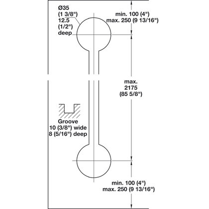
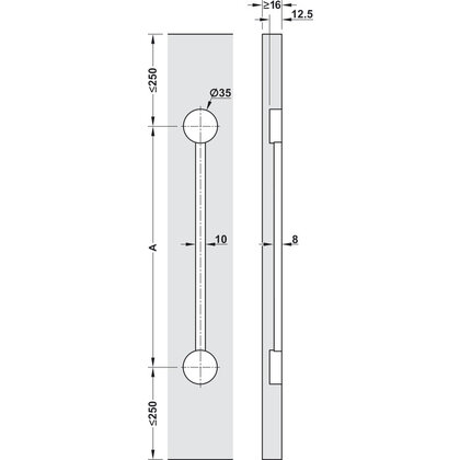
- Na hrúbku dverí: ≥16 mm
- Materiál: Závitová tyč: oceľ, napínač: zinková zliatina, krycí profil, krytky a prídržná doska: plast
- Montáž: Pre zápustnú montáž a priskrutkovanie
1 sada obsahuje 2 vyrovnávacie príslušenstvo vrátane všetkých jednotlivých komponentov
Häfele 407.90.202 Vyrovn. kov. Planofit, pre dvere do 2400 mm, čierne(407.90.209:2+407.90.270:2bal)
Objednávací kód: D01/HE-407.90.202
Kód:
796182
| Farba | Čierna |
|---|---|
| Merná jednotka | sada |
Popis
Dokumenty
Kontaktný formulár